金百博·[中国]集团

全国服务热线18012399129

金百博·[中国]集团

金百博·[中国]集团 ISO9001质量体系保证,高于国标标准生产

惠华360天全方位服务追踪
» » »

不锈钢压力表

产品分类: 不锈钢压力表
    YE-100轴向带边膜盒压力表又称微压表。适用于测量无爆炸危险、不结晶、不凝固,以及对铜和铜合金无腐蚀作用的液体、气体或蒸汽的低微压力。
    订购热线:0510-85182228

          不锈钢压力表.jpg

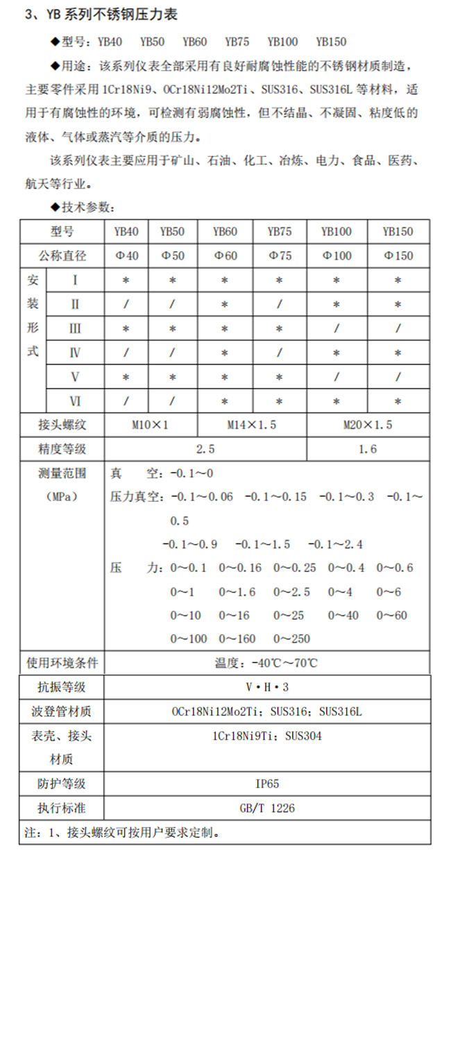
         ; 该系列仪表全部采用有良好耐腐蚀性能的不锈钢材质制造, 主要零件采用 1Cr18Ni9、OCr18Ni12Mo2Ti、SUS316、SUS316L 等材料,适 用于有腐蚀性的环境,可检测有弱腐蚀性,但不结晶、不凝固、粘度低的 液体、气体或蒸汽等介质的压力。 该系列仪表主要应用于矿山、石油、化工、冶炼、电力、食品、医药、 航天等行业。







          使用与订货须知:

          其使用条件同原选用。调定指针时请轻缓转动设定旋钮。订货时请说明选用的压力表型号范围、精确度等级及定位代号-D。





       


      订货电话:0510-85182228      

      公司传真:0510-88152298


      地址:江苏省无锡市滨湖区金百博街道南湖中路28-50号(生产基地)

                 江苏省无锡市滨湖区蠡湖商务园23号(研发中心)


      * 表示必填采购:不锈钢压力表
      * 联系人: 请填写您的真实姓名
      公司名称: 请填写您的公司名称
      联系电话:
      * 手机号码: 请填写您的联系电话
      电子邮件:
      联系地址:
      * 采购意向描述:
      请填写采购的产品数量和产品描述,方便金百博·[中国]集团进行统一备货。
      验证码: 验证码

      相关资讯

      共有-条评论【我要评论】

      正在加载...
      我要评论:  
      内 容:
      (内容最多500个汉字,1000个字符)
      验证码: 看不清?!
       

      金百博产品中心Product center

      联系金百博

      联系金百博

      金百博·[中国]集团

      订货电话:0510-85182228

      公司电话:0510-85182228

      公司电话:0510-85182228

      公司传真: 0510-88152298

      公司地址:无锡市滨湖区蠡湖商务园23号